
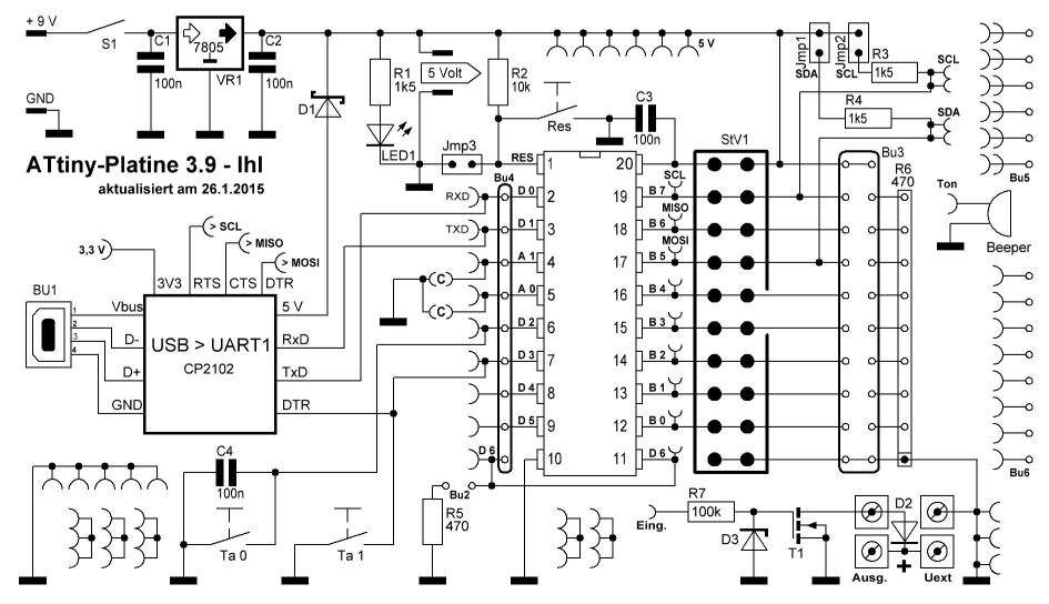
Attiny-Platine 3
Eigenschaften
- AVR-Attiny2313-Mikrocontroller (nicht verlötet, sondern auf Fassung gesteckt)
- USB-UART-Wandler auf Platine integriert; Bootloader sorgt für hohe Geschwindigkeit bei Benutzung der USB-Schnittstelle
- (fast) alle Anschlüsse des AVR über Kontaktbuchsen mit Patchkabeln erreichbar
- parallel zu den 8 Bits eines vollständigen Ports (Port B) 8 Buchsen mit Widerstandsarray; dadurch können mittels LEDs die Zustände des Ports angezeigt werden
- zwei Interrupteingänge direkt mit Tastern verbunden, einer davon mit Kondensator entprellt
- ein Piezo-Speaker
ein Leistungsverstärker zum Anschluss von Gühlämpchen, Elektromotor… - Serielle Kommunikation und schnelle Programmierung über USB
- I2C-Vorbereitung durch Pullup-Widerstände (durch Jumper zuschaltbar)
- SPI-Programmierung über USB
- zusätzliche Kontaktfelder für komplexere Schaltungen
- Stromversorgung und Datenübertragung über Standard-USB-Verlängerungskabel; Stromversorgung über 9V-Batterie und Spannungsstabilisator optional
- Buchsenleiste zum Anschluss eines kleinen, preiswerten LCD (LCD im Lieferumfang)
- Buchsenleiste zum Anschluss weiterer Geräte, frei patchbar!
- Reset-Taster zum Neustarten eines Programms oder zum Aktivieren eines Upload-Vorgangs

Schaltplan der Platine 3.0
Hinweise zur Platine 3.0
- Zum Lieferumfang gehören die Platine, ein USB-Anschlusskabel, 10 LEDs, eine Fotodiode, 2 Jumper, Käbelchen, ein LCD (2 mal 8 Zeichen) und die nötige Software (uploader-Programm etc.).
- Das LCD benutzt das Port B; dabei bleiben PortB.5 und PortB.7 zum Betrieb des I2C-Bus frei.
- Über die Buchsenleiste lassen sich bequem weitere Geräte anschließen. Dazu wird die Buchsenleiste über Patchkabel mit den Pins des Attiny2313 verbunden; auf diese Weise ist eine flexible Zuordnung der Buchsenleistenpins zu den Attiny-Pins möglich.
- Auf der Platine befindet sich ein Leistungs-MOSFET, der über die Platine oder über eine externe Stromquelle versorgt werden kann. Er kann über einen Ausgang des Mikrocontrollers auch Verbraucher ein- und ausschalten, die größere Ströme benötigen (z.B. Glühlämpchen oder Elektromotoren).
- Die Platine ist für einen Stand-Alone-Betrieb ohne USB-Kabel vorbereitet: Dazu müssen auf der Platine lediglich ein Clip-Anschluss für 9-V-Batterien, ein Schalter, zwei Kondensatoren und ein 5-V-Regler angelötet werden.
Wenn Sie Interesse am Erwerb einer oder mehrerer Platinen haben (als Bausatz oder fix und fertig, ab ca. 20 Euro), wenden Sie sich bitte direkt an Herrn Eube (eeube@ish.de).
